行业知识

  • 包装机称重仪显示异常故障分析

    传感器与中间接线连接接头处以及积算仪插口接线重新连接处理,由于现场传感器线缆较多,在拆线时为了防止线缆混淆,在拆线前一定要记得拍照或者用纸笔将两端接线对接情况记录好,以免因恢复接线时错接导致误判,重新校线延误检修时间,影响生产等不必要的麻烦。

    2024-12-04 OD体育在线注册,OD体育(中国)

  • 给煤机跑偏开关报警信号无法消除案例分析

    打开给煤机跑偏开关位置封盖,检查内部线路有无老化破皮短路现象,打开开关上盖,波动探杆观察内部行程开关接触情况为闭合状态,正常情况应为常开状态此时波动探杆均为闭合状态,开关弹簧断裂使其不能回位,断电后更换新的形成开关,接线通电,报警消除,拨动探杆有报警显示,松开则无报警,说明故障解决。调好探杆与皮带间的距离位置,回装封盖检修完成,工艺确认正常后投用给煤机。

    2024-12-04 OD体育在线注册,OD体育(中国)

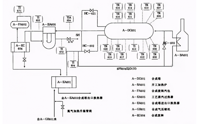
  • WHY-Q系列调节阀突然关闭故障处理

    工艺反映空分分子筛V—7202蒸汽冷凝液罐外送调节阀72LV—031正常运行时,突然关闭,V—7202罐内冷凝液满液位,同时E—7021换热器失去加热效果,分子筛V—7201B再生时其上温度72TE—002达不到25℃,致使程序暂停,分子筛无法正常运行。

    2024-12-04 OD体育在线注册,OD体育(中国)

  • 重型夹管阀用于切断和控制性泥浆、粉末或颗粒物质的阀门

    重型夹管阀专为涉及磨损性或腐蚀性泥浆、粉末或颗粒物质的切断和控制应用而设计。

    2024-12-02 OD体育在线注册,OD体育(中国)

  • 小汽机前轴承双金属温度计指示为负原因分析

    该温度是测量小汽轮机前轴承温度,量程 0~150℃,70℃报警,75℃跳车,与92TE-009二取二联锁,容易引起跳车。 所以平时巡检维护应作为重点仪表检查对待。在线检修时一定要按规定办理联锁切除票和检修工作票。

    2024-12-02 OD体育在线注册,OD体育(中国)

  • 仪表浮筒压力开关误动作故障排查

    21变换工段联锁跳车,经查SOE记录的跳车原因为21XV-002电磁阀失电导致变换跳车,报警动作是E-2103液位低,液位开关21LS007/21LS008一分钟内先后触发低低联锁,同时21XV-002阀门关阀,触发变换紧急停车联锁。

    2024-12-02 OD体育在线注册,OD体育(中国)

  • 废锅虚假液位原因分析

    当汽包压力突降时,炉水饱和温度下降到对应压力下的饱和温度,炉水因此放出大量热量进行蒸发,炉水内的汽泡增加,汽水混合物体积膨胀,导致水位上升,形成虚假水位。

    2024-11-29 OD体育在线注册,OD体育(中国)

  • 单气缸蝶阀工作原理

    单气缸蝶阀主要由气动执行器(包括气缸、活塞等部件)、蝶阀本体(包括阀体、阀杆、蝶板等部件)以及其他附件(如法兰、密封件等)组成。

    2024-11-29 OD体育在线注册,OD体育(中国)

首页
产品
新闻
联系